| 型???????号?? | DN10~DN100 |
| 参???????数?? |
根据需求定制设计 |
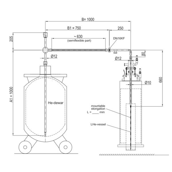
定制液氮低温软管
液氮低温环境对软管的要求是非常高的。首先,液氮低温环境下,材料的低温抗冻性必须良好,以防止软管在超低温下变硬甚至破裂。其次,耐腐蚀性也是液氮低温软管的重要性能之一。由于液氮具有强氧化性和腐蚀性,软管在长时间接触液氮时必须具备良好的耐腐蚀性,以防止软管的使用寿命缩短和泄露的风险。此外,在液氮低温环境下,软管的柔韧性和耐压性也是非常关键的。软管需要能够在低温下保持足够的柔韧性,以满足各种复杂的使用场景;同时需要具备良好的耐压性能,以保证工作过程的稳定和安全。



